07 Dodge Caravan Auto Shutdown Relay Wiring Diagram
Rockauto ships auto parts and body parts from over 300 manufacturers to customers' doors worldwide, all at warehouse prices. The same sensors that time those pulses turn on the automatic shutdown relay that sends voltage to those items.
Wiring Manual PDF 00 Chrysler Grand Voyager Fuse Box
Is i have a lot of wire cut under the hood and under dash can u please put a copy of the under hood and under dash wiring diagram on this page so.
07 dodge caravan auto shutdown relay wiring diagram. J1962 conn/ powertrain control module. 1993 1995 auto shut down asd wiring diagram jeep additionally 6ia20 dodge ram 1500 4x2 2004 ram 1500 e w jun 18, 2020 · When looking up the asd or other relays in the index, the page states that it is 'located in the pdc', however, the pdc in the diagram is always the bigger style as in the hemi.
1998 dodge ram 1500 4wd. Inside the cover of the pdc is a diagram to show which relay is the asd. Easy to use parts catalog.
The asd relay is located in the power distribution center under the hood next to the battery. Hopefully the below info will help, even though it was for another vehicle! The wiring diagrams are grouped into individual sections.
Apparently the asd fuse = automatic shut down fuse! My van has those two as fuse 15 as eatx and eatx shutdown relay, respectively. Locating the under dash junction block.relay for 2007 dodge grand caravan wiring diagram by admin through the thousand photographs on the web with regards to 2007 dodge grand caravan wiring diagram, picks the very best libraries together with ideal image resolution exclusively for you all, and now this images is usually among.
2001 dodge grand caravan wiring problem. 2005 dodge grand caravan 3.8l v6 auto shut down relay | rockauto Dodge caravan 2005 power module fuse box/block circuit breaker diagram.
To test the relay see if this helps. And wires, fuel pump) everything except actual distributor and wiring harness. Dodge radio wiring diagrams free i want to install a super tuner 3 but original radio is missing.i need color code of original radio please.thank you ,.
I have charged the battery (have not bench tested it) and the van wouldn't start. Once the key was turned, the asr continuously chatters. The pdc in my 4.7 is much smaller than the hemi's and only contains fuses.
Fuse box diagram dodge ram van 1990. Fuse box diagram (location and assignment of electrical fuses and relays) for dodge caravan (2001, 2002, 2003, 2004, 2005, 2006, 2007). I have a copy of the 2006 dodge ram truck workshop service repair manual in pdf format.
2008 charger automobile pdf manual fuse and relay location. Clicking is usually signs that it is switching on and off rapidly and would be sign that the control side of the relay was turning on and off (there's some good info if you do an. Can i get a diagram fo a serpentine belt for a 94 dodge grand caravan 3.3ing with air 2wd need diagram for a.
If you run into an electrical problem with your dodge, you may want to take a moment and check a few things out for yourself. Car starts but immediately stalls. I believe i have a bad alternator and the van ran on the battery.
The asd relay is an acronym for automatic shutdown relay, but its acronym is popularly known. Usually, when the asd relay has failed or is having a problem the vehicle will produce a few symptoms that can alert the driver that a problem has occurred that should be serviced. As a result, of the ignition key being left in the on position.
One of the most common symptoms of a bad asd relay is an engine that will start, but stall out almost immediately, or at random. Refer to label on pdc cover for relay location. But, only if the engine has not been running, for approximately 1.8 seconds.
Fuse box diagram dodge avenger 1995. When the pcm energizes the asd and fuel pump relays, terminal 87 connects to terminal 30. I read this in dodge forum:
Oct 07, 2009 • 2001 dodge caravan. The automatic shut down relay is just one of many relays on your car. It has to be there.
The asd relay is located in the integrated power module (ipm), in the engine compartment. For example, the wiring diagram shows fuse 14 in the power distribution center as being the fuse which powers the transmission control module and the transmission control relay as being the relay for the tcm. 1996 dodge ram transmission shifting problem.
It is a major component of the fuel and ignition systems of modern vehicle engines.

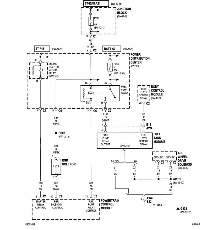
2003 Dodge Grand Caravan Fuel Pump Wiring Diagram Wiring Diagram
02 Dodge Grand Caravan w/3.3L V6. Engine will not start, have replaced battery (was old

I have a 99 dodge grand caravan 3.8 l and it wont start but all the lights come on and i changed

Fuel Pump Relay or Pump Failure? My 2000Caravan 3.8 Engine L

ASD Relay? My Van Died on Me at Light the Other Day Got It Home

2006 Dodge Grand Caravan Fuel Pump Wiring Diagram Wiring Diagram
Need to know proper voltages to Auto shutdown relay

Fuel Pump Relay or Pump Failure? My 2000Caravan 3.8 Engine L
2004 Dodge Caravan Fuse Box Wiring Diagrams
2007 Dodge Magnum Fuse Box Diagram Wiring Diagram
I have an 07 caravan that we left the flashers on until the battery went dead and now we cannot

[VW_5568] 2008 Chrysler Town And Country Engine Diagram Schematic Wiring
Computer codes p 1684 p1388 p0320

Since months I couldn't get my 2003 grand caravan fixed. Despite some trips for parts in the US

2008 Dodge Ram 1500 Fuse Box Diagram — UNTPIKAPPS
Got my 318 home today.. Page 3

I'm helping a friend with their 99 dodge caravan. it's a no start no crank. I've checked the
